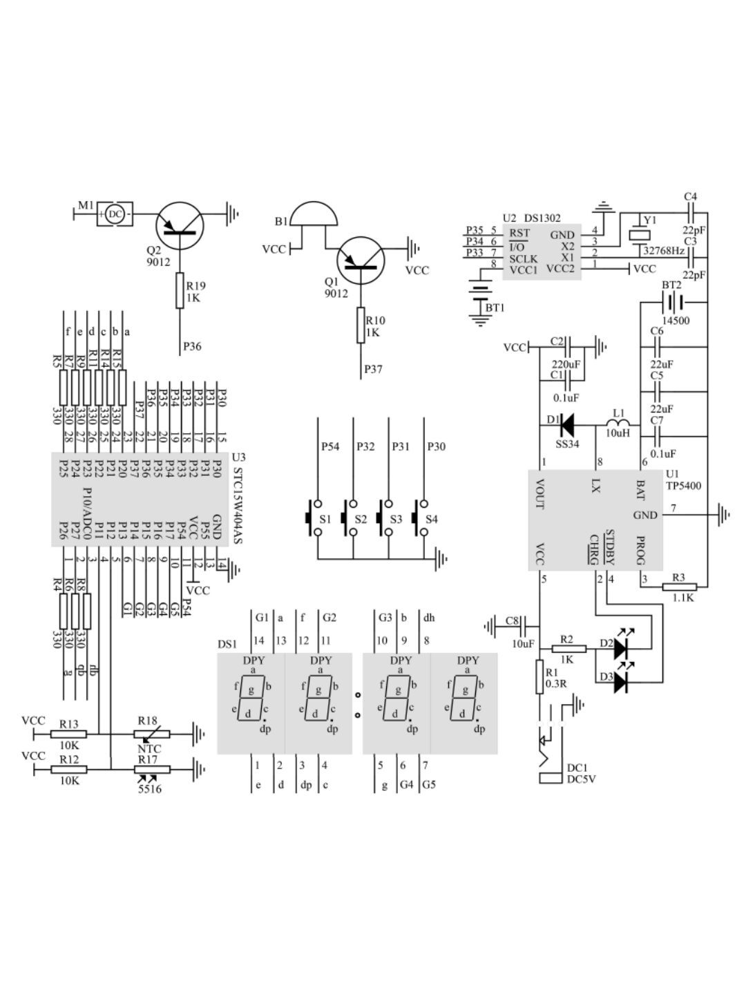
Общие характеристики
Микросхема RTC: DS1302 (часы реального времени)
Рабочее напряжение: 5 В DC
Питание: microUSB или через аккумулятор (с зарядкой)
Размеры корпуса: 33×51×80 мм
Размер платы: 73×44 мм
Дисплей: 4-разрядная 7-сегментная цифровая трубка
Датчик температуры: встроенный (вероятно, NTC или цифровой)
Функциональные возможности
Четыре режима отображения:
Время (часы/минуты)
Температура
Время + дата + неделя
Время + температура + дата + неделя
Регулировка яркости:
Автоматическая (по фоторезистору)
Ручная (0–A)
Будильники (2 шт):
Возможность индивидуального включения/отключения
Установка времени с точностью до минуты
Значение 24 = будильник отключен
Обратный отсчёт (таймер):
Сигнализация при окончании: зуммер, вибромотор или оба
Секундомер
Вибрационный сигнал:
Настраиваемо: включён/выключен
Возможность работы без звука (только вибрация)
Энергосбережение:
Погасить дисплей (S4)
Экономия энергии в режиме ожидания
Хранение данных:
RTC с резервной батарейкой
При снятии батарейки сбрасываются настройки
Температурная калибровка:
Настройка отклонения в Fu-7
Кнопки управления
S1 — Просмотр даты, дня недели, года. В режиме настроек — перемещение по разрядам.
S2 — Просмотр температуры, будильников. В режиме настроек — увеличение значений.
S3 — Уменьшение значений. Удержание — выход из режима (секундомер, таймер).
S4 — Подтверждение (OK), включение/выключение дисплея.
Дополнительно
При первом включении возможно некорректное отображение — это норма. После настройки всё восстановится.
При извлечении батареи — сброс параметров.
