Описание
Отзывы
Описание
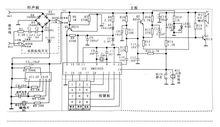
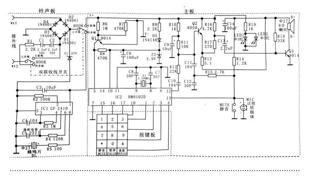
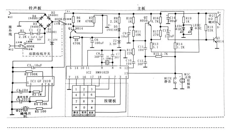
Это обучающий набор для самостоятельной сборки рабочей телефонной трубки. Подходит для начинающих радиолюбителей, студентов и всех, кто хочет освоить основы электроники и пайки. После сборки устройство полностью функционирует от обычной телефонной линии.
Преимущества
Полностью рабочая телефонная трубка
Простая и понятная сборка
Защита от помех и статического электричества
Громкий чистый звонок
Идеально для обучения и практики пайки
Все компоненты входят в комплект
Отзывы
Отзывов еще никто не оставлял
