Описание
Отзывы
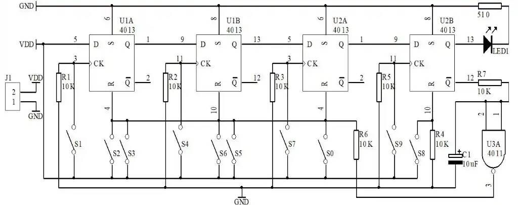
Описание
Данный обучающий набор позволит радиолюбителю собрать 10-кнопочный кодовый замок с кодовой комбинацией из 4-х цифр. Цифры должны нажиматься последовательно, в строго определенном порядке. В случае нажатия неверной кнопки, или же нажатия одновременно всех кнопок устройство не сработает. Поэтому замок обладает высокой шифростойкостью – чтобы подобрать правильный код, придется перебрать 10 000 вариантов. (верный код - 1479)
При введении верного кода загорится светодиод, чтобы он погас нужно обнулить значения, нажав кнопку S8.
Характеристика:
Напряжение питания: 3-5 В
Отзывы
Отзывов еще никто не оставлял
